KUS Stainless Steel Holding Tank Sensor, 16"
KUS Stainless Steel Holding Tank Sensor, 16"
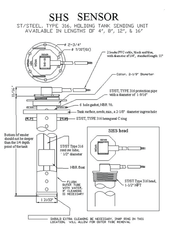
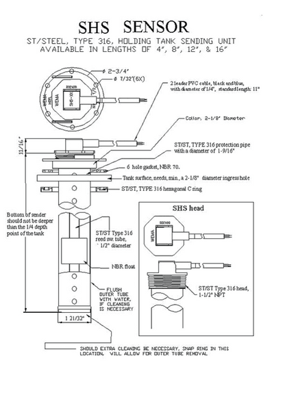
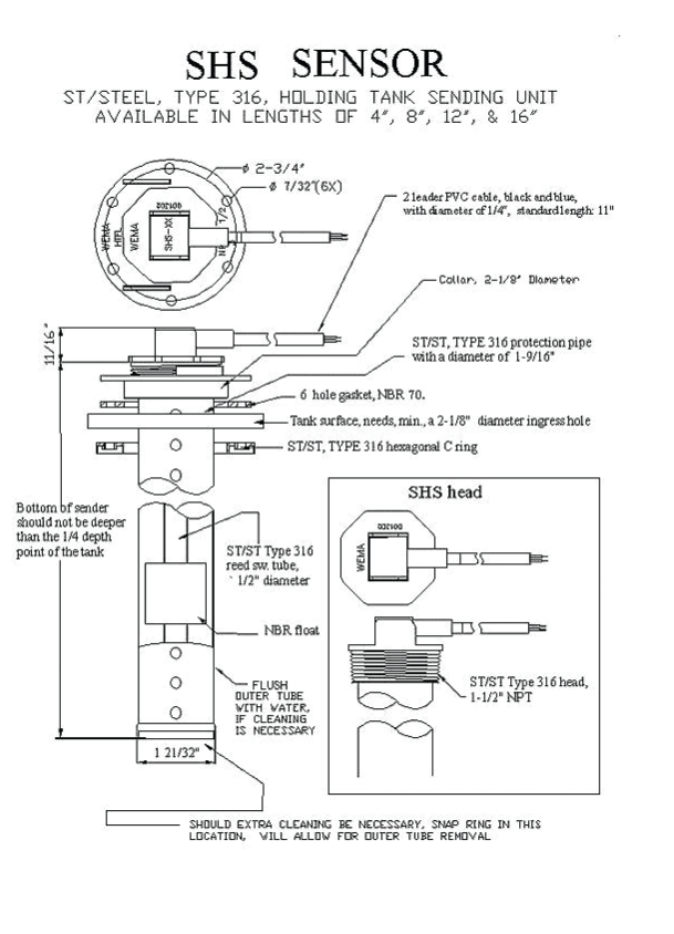
316 stainless steel Holding Tank Sensor senses the level of sewage in your holding tank. It is used in conjunction with a Wema Systems Holding Tank Gauge (Order# 75762 or 196909) or multi-tank panel, all of which are sold separately; see Related Products, below.
This unit is, essentially, an S5U 1-1/2" NPT threaded sensor with a protective outer tube around the float.
It is important to select a sensor which only extends to 3/4 of the tank depth to allow for the possible build-up of sediment, which can cause the unit to malfunction.
• 1-1/2" male NPT threads; uses an included 6-hole mounting adapter set
• All mounting hardware is included
• All 316 stainless steel
• Very easy to install; requires a 2-1/4" hole in tank to accept the 2-1/8" mounting collar
• Bolt pattern is 2-3/4"
• Outer sensor tube diameter is 1-21/32"
• Long term reliability under severe conditions
• Can be disassembled for cleaning, if necessary
Product features
Product features
Materials and care
Materials and care
Merchandising tips
Merchandising tips
Share

